Stmívač dimLED OV TRIAK KNT240W bílý - Stmívač dimLED OV TRIAK KNT240W bílý
Nástěnný triakový LED stmívač KNT240W 230V, bílý
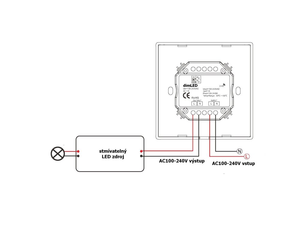
Nástěnný triakový LED stmívač dimLED KNT240W kombinuje vlastnosti přijímače a ovladače. S jedním ovladačem KNT240W lze ovládat 1 okruh, který se může skládat i z několika přijímačů na více místech. Zároveň lze přímo na výstup stmívače KNT240W připojit LED osvětlení a ovladač KNT240W použít i jako přijímač. Ovladačem KNT240W lze tedy ovládat i jiné řady přijímačů dimLED a zároveň k němu lze spárovat jiné modely ovladačů dimLED.
Vlastnosti a výhody systému dimLED:
Stmívání je stabilní a spolehlivé, dosah ovladače ≤ 30M.
Stmívání v rozmezí 0-100%, stmívání měkké, bez blikání. Při zapnutí dojde k pozvolnému rozsvícení, při vypnutí dojde k pozvolnému setmění.
Ovládání probíhá na kolečku ovladače. Otáčení kolečka dochází k nastavování intenzity světla. Zmáčknutím kolečka dojde k vypnutí/zapnutí osvětlení. Přidržením kolečka taktéž plynule regulujete intenzitu.
Stmívač je elektronický 0-100%, připojený stmívatelné světelné zdroje většinou nejsou konstruovány 0-100%, takže při nastavení stmívače na 0% či velmi málo, se může stát, že po vypnutí stmívače v této hodnotě a opětovném zapnutí nedojde k vybuzení zdroje a je nutné na stmívači přidat hodnotu jasu pro rozsvícení. Řešení je najít na světle polohu, kam na minimum stmívat před vypnutím.
Pozor! Na tento stmívač nelze připojit stmívatelné zdroje řady DIM20 a DIM67
Specifikace ovladače:
Barva ovladače
Bílá
Přenosová frekvence
2,4GHz
Pracovní frekvence
2kHz
Vstupní napětí
100-240VAC
Proudové zatížení
LED zdroje - 200W
Vláknová žárovka - 400W
Dosah
30m
Počet zón
1 samostatná
Počet přijímačů
Lze spárovat neomezeně přijímačů
Počet ovladačů
Až 10 externích ovladačů
Způsob stmívání
Ořezávání půlvlny na vzestupné
nebo sestupné hraně dle nastavení
Rozměry
86 x 86 x 48,5 mm (lze namontovat do standartní EU krabice)
Paměť posledního nastavení po odpojení napájení:
ANO
Stupeň krytí:
IP20
Doplňkové parametry
| Kategorie: | Ovladače dimLED |
|---|---|
| Záruka: | 2 roky |
| Hmotnost: | 0.1 kg |
| EAN: | 8596558009456 |
Diskuze
Buďte první, kdo napíše příspěvek k této položce.
