5 let záruky shodně s podmínkami záručního prohlášení dostupného na internetové stránce
Jistič slouží k ochraně před přetížením a zkratem v instalacích a zařízeních.
Jistič slouží k ochraně před přetížením a zkratem v instalacích a zařízeních.
Doplňkové parametry
| Kategorie: | Jističe |
|---|---|
| Záruka: | 2 roky |
| Hmotnost: | 0.094 kg |
| EAN: | 5905339231512 |
| Váha[g]: | 94 |
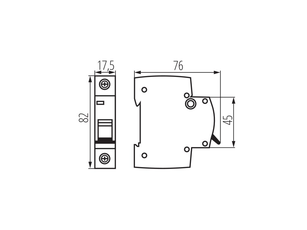
| Délka [mm]: | 76 |
| Jmenovitá frekvence [Hz]: | 50 |
| Jmenovité izolační napětí Ui [V]: | 500 |
| Jmenovitý zkratový proud [A]: | 6000 |
| Místo montáže: | na szynę TH35 |
| Norm: | PN-EN 60898-1 |
| Použití: | 1 |
| Rozsah okolních teplot, kterým může být výrobek vystaven [°C]: | 5÷40 |
| Rozsah průměrů používaných vodičů [mm2]: | 1÷25 |
| Šířka [mm]: | 17.5 |
| Třída energetických omezení: | 3 |
| Vypínací charakteristika: | C |
| Výška [mm]: | 82 |
| Barva: | bílá |
| Jmenovité napětí [V]: | 230/400 AC |
| Jmenovitý proud [A]: | 25 |
| Počet modulů: | 1 |
| Stupeň krytí IP: | 20 |
| Hmotnost: | 0.094 |
| Hmotnost kartonu: | 12.480 |
Buďte první, kdo napíše příspěvek k této položce.
Přidat komentář
| Výrobní společnost : | Kanlux s.r.o. |
|---|---|
| Adresa : | Sadová 618, 738 01 Frýdek-Místek, Česká republika |
| E-mail : | kanlux@kanlux.cz |
